

Описание и характеристики
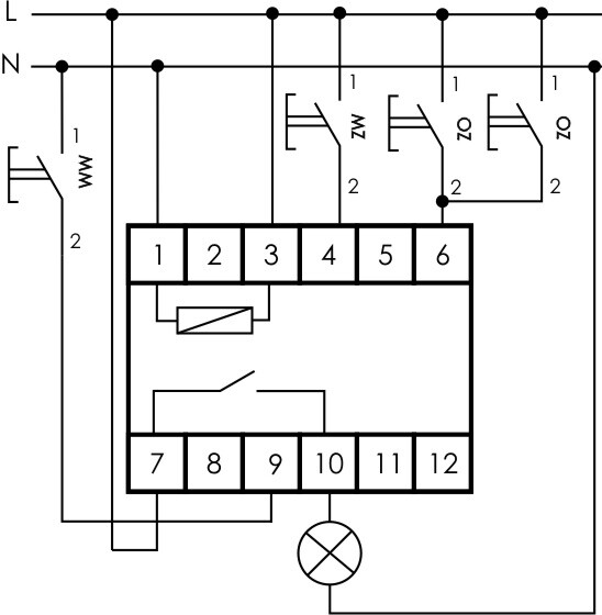
Реле импульсное предназначено для дистанционного управления (из нескольких мест) освещением или иной нагрузкой по двух проводной линии при помощи параллельно соединенных кнопочных выключателей.Может применяться для группового режима работы. Реле объединяются в группы, включение и выключение групп реле осуществляется по групповым входам, а управление отдельным реле в группе - по индивидуальному входу. Например, включение и выключение освещения всех этажей гостиницы (групповые входы) или управление освещением каждого этажа (индивидуальные входы).для группового режима работы, 1 модуль, монтаж на DIN-рейке 230B AC 16A(160A/20мс) 1NO IP20 Евроавтоматика ФиФ