Описание и характеристики
Терморегулятор программируемый Terneo PRO (16 А) для теплого пола, скрытой установки, белый
Терморегулятор Terneo PRO предназначен для поддержания постоянной температуры воздуха или пола, с возможностью установки ограничения по полу.
Температура контролируется в двух местах: где расположен датчик температуры и где установлен терморегулятор.
С терморегулятором Terneo PRO Вы имеете возможность запрограммировать обогрев по недельному графику, отдельно для будней и выходных.
Устанавливайте до трех интервалов в течение суток, во время которых будет поддерживаться комфортная температура.
Устройство имеет встроенный датчик температуры воздуха, а в комплект этой модели дополнительно входит датчик температуры пола.
Терморегулятор Terneo PRO идеально подойдет для оптимального использования энергии и поддержания комфортных условий в Вашем доме.
Преимущества
- Терморегулятор способен распознать, когда в комнате открыто окно, и на 30 минут выключить обогрев.
- Функция предварительного подогрева обеспечивает комфортные условия в помещении.
Терморегулятор способен определить среднее время нагрева с температуры "эконом" до "комфортной" и корректировать время предварительного включения нагрузки.
- Удобство в управлении.
4 кнопки + информативный экран.
Настроенные параметры сохраняются в энергонезависимой памяти.
- Калибровка температуры и статистика энергопотребления.
Внесите данные о мощности подключенного оборудования для максимально точного поддержания температуры в помещении.
Это также позволит терморегулятору эффективнее вести статистику энергопотребления.
- Удобная установка в стандартный подрозетник d 60 мм (элементы для монтажа в комплекте).
- Безопасность в использовании.
Защита от перегрева.
Блокировка кнопок управления.
- Максимальная совместимость с нагревательными проводами и датчиками большинства изготовителей.
Размеры
![]() |
![]() |
Функциональные возможности
Терморегулятор Terneo PRO применяется в системах "теплый пол", "полный обогрев" на основе электрического нагревательного провода.
Также может использоваться для управления системой обогрева на основе электрических конвекторов, инфракрасных панелей и других электрических нагревателей.
Терморегулятор позволяет переключить режим управления нагрузкой для работы с нагревателем или охладителем.
Терморегулятор совместим с нагревательными проводами, пленками и датчиками (в том числе цифровыми) большинства изготовителей, которые представлены на рынке.
Терморегулятор поддерживает следующие типы подключенных датчиков пола: 4.7, 6.8, 10, 12, 15, 33, 47 кОм при +25 °C.
Входящий в комплект датчик предназначен для размещения в монтажной трубке (металлопластиковая трубка диаметром 16 мм).
Трубка располагается в цементно-песчаной стяжке пола.
При необходимости датчик должен быть легко извлекаем из монтажной трубки.
В терморегуляторе предусмотрено 3 режима работы: ручное управление, таймер и отъезд.
- Режим "таймер" - индивидуальный график подогрева на целую неделю с возможностью выбора до трех периодов комфортной температуры в течение буднего дня;
- Ручное управление - режим, при котором таймер отключен и терморегулятор поддерживает одну заданную температуру постоянно.
- Режим "отъезд".
Установите время старта и окончания периода Вашего отсутствия, а также поддерживаемую температуру в этот период (температура отъезда).
Программирование терморегулятора осуществляется четырьмя кнопками, а все данные отображаются на информативном экране.
Настроенные параметры сохраняются в энергонезависимой памяти.
Пользователь может вносить данные о мощности подключенного оборудования для максимально точного поддержания температуры в помещении.
Это также позволит терморегулятору эффективнее вести статистику энергопотребления.
Статистика ведется терморегулятором для ориентировочного расчета потребленной электроэнергии нагрузкой.
В расчете используется введенная мощность нагрузки и общее время включения реле за периоды 24 часа, 7 дней, 30 дней и с момента последнего сброса.
Это позволит пользователю эффективнее устанавливать индивидуальные графики нагрева.
На экране отображаются неисправности прибора при их наличии, а также выводится версия прошивки, общее количество включений реле, общее время работы реле и количество включений терморегулятора.
Технические характеристики
| Тип изделия | терморегулятор |
| Тип датчика температуры | NTC терморезистор 10 кОм ±5% при +25 °C (R10) |
| Тип управления | программируемый |
| Напряжение питания, В | 230 ±10 % |
| Потребление тока при 230 В в активном состоянии при максимальной яркости, не больше, мА | 6,2 |
| Потребление тока при 230 В в режиме сна, не больше, мА | 2,3 |
| Максимальный ток нагрузки, А | 16 |
| Максимальная мощность нагрузки, В*А | 3000 |
| Пределы регулирования, °C | +5... +35 (по воздуху), +5... +60 (по полу) |
| Температурный гистерезис по воздуху | 1 °C |
| Температурный гистерезис по полу | 1 - 10 °C |
| Длина провода датчика, м | 3 |
| Типы поддерживаемых датчиков | NTC 4.7, 6.8, 10, 12, 15, 33, 47 кОм при +25 °С |
| Количество коммутаций под нагрузкой, не менее, циклов | 50000 |
| Количество коммутаций без нагрузки, не менее, циклов | 20000000 |
| Степень защиты от пыли и влаги | IP20 |
| Тип монтажа | скрытая установка (на стену) |
| Высота установки, м | 0,4 - 1,7 от уровня пола |
| Вес изделия в полной комплектации, кг | 0,18 ±10 % |
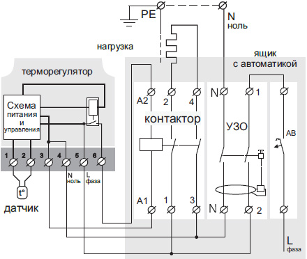
Схема подключения

- Датчик температуры подключается к клеммам 1 и 2.
- Напряжение питания (230 В ±10%, 50 Гц) подается на клеммы 4 и 5, причем фаза (L) определяется индикатором и подключается на клемму 5, а ноль (N) - на кпемму 4.
- К клеммам 3 и 6 подключается нагрузка (соединительные провода от нагревательного элемента).
Монтаж
Терморегулятор предназначен для установки внутри помещений.
При установке в ванной комнате, туалете, кухне, бассейне терморегулятор должен быть расположен в месте, недоступном случайному воздействию брызг.
Важно помнить, что терморегулятор желательно размещать на внутренней стене помещения.
Устройство не рекомендуется подвергать воздействию прямых солнечных лучей и сквозняков.

Температура окружающей среды при монтаже должна находиться в пределах -5... +45 °С.
Высота установки терморегулятора должна находиться в пределах 0,4 - 1,7 м от уровня пола.
Терморегулятор монтируется и подключается после установки и проверки нагрузки.
Для защиты от короткого замыкания в цепи нагрузки обязательно необходимо перед терморегулятором установить автоматический выключатель (АВ).
Автоматический выключатель устанавливается в разрыв фазного провода.
Он должен быть рассчитан не более чем на 16 А.

Для защиты человека от поражения электрическим током утечки устанавливается УЗО (устройство защитного отключения).
Эта мера обязательна при укладке теплых полов во влажных помещениях.
Для правильной работы УЗО экран нагревательного кабеля необходимо заземлить (подключить к защитному проводнику РЕ) или, если сеть двухпроводная, необходимо сделать защитное зануление, то есть экран подключить к нулю до УЗО.
На схеме защитное зануление показано пунктиром.
Терморегулятор монтируется в стандартную монтажную коробку d 60 мм при помощи шурупов.
Для монтажа необходимо:
- сделать в стене отверстие под монтажную коробку и каналы под провода питания и датчик;
- подвести провода питания системы обогрева и датчика к монтажной коробке;
- выполнить соединения;
- закрепить терморегулятор в монтажной коробке, для этого снять лицевую рамку, поместить терморегулятор в монтажную коробку и закрутить шурупы.
Клеммы терморегулятора рассчитаны на провод с сечением не более 2,5 кв.мм.
Для уменьшения механической нагрузки на клеммы желательно использовать мягкий провод.
В цементно-песчаной стяжке пола датчик должен закладываться только в монтажной трубке (например, металлопластиковой d 16 мм), изгибающейся один раз с радиусом не менее 5 см и вводимой в обогреваемую зону на 50 см.
Второй конец с выводом соединительного провода датчика должен заканчиваться в монтажной коробке.
Такой способ укладки датчика используется для того, чтобы иметь возможность замены датчика в будущем.
Оконечность трубки герметизируют, например, изолентой во избежание попадания раствора.
Датчик вводят в трубку после затвердевания стяжки.
Концы провода датчика необходимо зачистить и обжать наконечниками с изоляцией с помощью плоскогубцев.
При необходимости допускается укорачивание и наращивание (не более 20 м) соединительных проводов датчика.
Для наращивания длины недопустимо использование двух жил многожильного кабеля, используемого для питания нагревателя.
Наилучшим решением будет отдельный кабель к датчику, монтируемый в отдельной трубке.
Около соединительного провода датчика не должны находиться силовые провода, они могут наводить помехи.
Необходимо, чтобы терморегулятор коммутировал ток не более 2/3 максимального тока, указанного в паспорте.
Если ток превышает это значение, то необходимо нагревательный кабель подключить через контактор (магнитный пускатель, силовое реле), который рассчитан на данный ток.
Сечение проводов, к которым подключается терморегулятор, должно соответствовать току нагрузки.
Использование алюминия нежелательно.

Комплектность
- Терморегулятор.
- Декоративная рамка.
- Датчик температуры с соединительным проводом.

