





Описание и характеристики
Автоматический выключатель Schneider Electric EZ9F34310 Easy9 (3Р, 10 А, кривая отключения C, 4,5 кА)
Коммутационная аппаратура Scheider Electric cерии Easy9 отличается качеством, надежностью и удобством использования.
Унифицированная конструкция и высокие производственные стандарты увеличивают срок службы оборудования Easy9, при этом его приятно устанавливать и эксплуатировать.
Автоматические выключатели Easy9 применяются для защиты от токов короткого замыкания, для защиты от превышения допустимого тока.
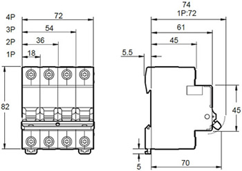
Размеры

Особенности конструкции
- Механизм быстрого включения снижает вероятность "спекания" контактов при включении под нагрузкой.
- Металлическая заклепка, расположенная в середине корпуса, предотвращает изменение характеристики после аварийного отключения.
- Защитная шторка заклеммного пространства предотвращает неправильное подключение проводников.
- Монолитная лицевая панель обеспечивает безопасность пользователя.
Технические характеристики
| Тип изделия | модульный автоматический выключатель |
| Описание полюсов | 3Р |
| Число защищенных полюсов | 3 |
| Номинальный ток In, А | 10 |
| Тип сети | переменный ток |
| Технология расцепителя | термомагнитный |
| Код кривой отключения | С |
| Номинальное напряжение Ue, В | АС 230/400 |
| Рабочая частота сети, Гц | 50/60 |
|
Ток отключения Icn, кА:
|
4,5 (230 В переменного тока); |
| Предел электромагнитного отключения | 5... 10 х In |
| Номинальное напряжение изоляции Ui | АС 500 В, 50/60 Гц |
| Номинальное импульсное выдерживаемое напряжение Up, кВ | 4 |
| Наличие индикатора положения контакта | есть |
| Тип управления | тумблер |
| Наличие индикации | нет |
| Способ крепления | защелкивающийся |
| Монтажная опора | DIN-рейка |
| Шаг 9 мм | 6 |
| Механическая износостойкость, циклов | 10000 |
| Электрическая износостойкость, циклов | 4000 |
| Степень защиты от пыли и влаги | IP20 |
| Степень загрязнения | 2 |
| Рабочая температура окружающей среды, °С | -25... +60 (при относительной влажности 95 %) |
| Тип зажимов | туннельный (жесткий кабель 1... 25 кв.мм, гибкий кабель 1... 16 кв.мм) |
| Момент затяжки, Н*м | 2 (верхняя или нижняя) |
| Цвет корпуса | Серый (RAL 7035) |
| Стандарты | IEC 60898-1 |
| Вес изделия, г | 318 |
Кривые отключения

Монтаж
![]() |
![]() |
| Крепление защелкиванием на DIN-рейке шириной 35 мм. |
Любое установочное положение. |

